最近ではマイコンやタイマーやセンサーなど搭載せず
プリコックさせるのが流行の様子、今まで適当に作っていたMOSFET駆動
オイオイ適当って感じ作っていいのか?
考えたと言っても独学での電気工作、間違っているかも知れませんが
どう考えてもコンデンサーの放電を利用した遅延回路による物と思うのです。
プリコックさせるのが流行の様子、今まで適当に作っていたMOSFET駆動
オイオイ適当って感じ作っていいのか?
考えたと言っても独学での電気工作、間違っているかも知れませんが
どう考えてもコンデンサーの放電を利用した遅延回路による物と思うのです。
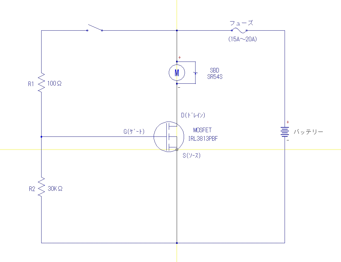
現在私の製作する一応安定してるMOSFET回路は下記の状態
作動原理はトリガーでスイッチを入れるとゲートに電圧が掛かる
するとFETの中のソースとドレイン間で電気が流れモーター回る
カットオフレバーでトリガーとスイッチが機械的に外され接続が切れる
ゲート電圧が止まるするとFETの中でも流すのを止めるから
モーターも止まる
この時わずかな時間FETのゲートに電気を流せればその分モーターは回る
時間にしてどれぐらい流せばよいか発射サイクルは1秒当たり15発程度
セクターギヤは1回転は1秒割る15で約0.06秒で
その約半分で0.03秒から0.02秒程度動かせばプリコック状態になるかな
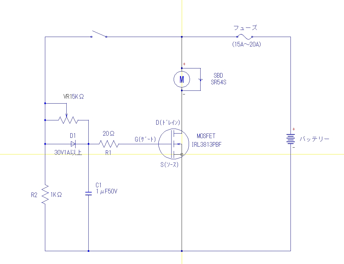
考えた遅延回路付きはこんな感じです。
動くまでの原理はほぼ同じです
スイッチを入れるとD1からR1にそしてゲートに電気は流れます
同時にC1のコンデンサに充電されます
充電されると電気的に抵抗は最大になり電機は流れません
そこで、スイッチが切れるとC1から放電が始まりゲートに
まだ電気が流れた状態になっています、この時には
合わせてVR側にも流れるのでこのVRを変化させることで
VRとR2の和で放電時間を調整できます
R2はVRを回し振り切った時のショートを防止するするのも兼ねてます
このR2を小さくすると時間は短く出来ますが、
あまり小さいと消費電流が大きくなり抵抗自体も大電力用が必要になります
図面上の数値はどこまで正解かはまったく不明
機械的負荷使用に伴う電力低下など計算外のことばかり
さてと部品をいつものごとく秋月電子に注文します・・・
あっスプリング開放用のスイッチを付けなければ・・
このまま保管するとスプリングが圧縮状態でへたる
またピストンやメカにも負荷掛かったまま
保管時に毎回VRを回して開放するのは手間ですから
どこに付ける開放用のセレクトスイッチかタクトスイッチを
スイッチを入れて数回セミで空撃ち擦れば開放できるはず
続きは部品が揃ったら正月休みにゴソゴソしますか
ではまた
作動原理はトリガーでスイッチを入れるとゲートに電圧が掛かる
するとFETの中のソースとドレイン間で電気が流れモーター回る
カットオフレバーでトリガーとスイッチが機械的に外され接続が切れる
ゲート電圧が止まるするとFETの中でも流すのを止めるから
モーターも止まる
この時わずかな時間FETのゲートに電気を流せればその分モーターは回る
時間にしてどれぐらい流せばよいか発射サイクルは1秒当たり15発程度
セクターギヤは1回転は1秒割る15で約0.06秒で
その約半分で0.03秒から0.02秒程度動かせばプリコック状態になるかな
考えた遅延回路付きはこんな感じです。
動くまでの原理はほぼ同じです
スイッチを入れるとD1からR1にそしてゲートに電気は流れます
同時にC1のコンデンサに充電されます
充電されると電気的に抵抗は最大になり電機は流れません
そこで、スイッチが切れるとC1から放電が始まりゲートに
まだ電気が流れた状態になっています、この時には
合わせてVR側にも流れるのでこのVRを変化させることで
VRとR2の和で放電時間を調整できます
R2はVRを回し振り切った時のショートを防止するするのも兼ねてます
このR2を小さくすると時間は短く出来ますが、
あまり小さいと消費電流が大きくなり抵抗自体も大電力用が必要になります
図面上の数値はどこまで正解かはまったく不明
機械的負荷使用に伴う電力低下など計算外のことばかり
さてと部品をいつものごとく秋月電子に注文します・・・
あっスプリング開放用のスイッチを付けなければ・・
このまま保管するとスプリングが圧縮状態でへたる
またピストンやメカにも負荷掛かったまま
保管時に毎回VRを回して開放するのは手間ですから
どこに付ける開放用のセレクトスイッチかタクトスイッチを
スイッチを入れて数回セミで空撃ち擦れば開放できるはず
続きは部品が揃ったら正月休みにゴソゴソしますか
ではまた
コメント